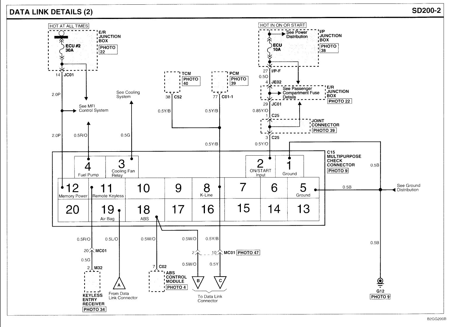
Kia Wiring Diagram Usa Kia Sportage 2000 Wiring Pdf Database
Fuse kium. 30 kia sorento wiring diagram download. Wiring diagram
kia wiring diagram usa
Download PDF
Kia sportage wiring diagram


2005 optima coil wiring help.... Fixya sedona kium answers koreas. Electrical wiring diagrams for kia new morning download free. Sportage 2carpros
2005 Optima Coil wiring help... - Kia Forum
Wiring Diagram - Kia Forum
Electrical wiring diagrams for Kia New Morning Download Free
2008 Nissan Altima Radio Wiring Diagram Collection | Wiring Collection
Lincoln Sa 200 F163 Wiring Diagram - Wiring Diagram

Tidak ada komentar:
Posting Komentar